제품소개
기술력과 감동을 함께!
(주)포세이돈 자동식기세척기는 안전하고 편리한 제품, 오래 사용할 수 있는 제품을 만들고자 최선을 다하고
고객 입장에서 생각하며 최고의 기업으로 인정받을 수 있도록 최선을 다하겠습니다.
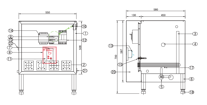
전기부스터
- 조달식별번호
- 24988553 PEB-24000
- 24988554 PEB-32000
- PEB-24000, PEB-32000
- 과부하 안전장치 내장
- 과열 안전 장치 내장
- 자동 급수제어장치 설치
- 저수위 감지시 전기공급 중단용 안전장치 내장
| 모델명 | 규격 (L × W × H) |
저탕량 | 전원/전기용량 | 급수접속 구경 |
|---|---|---|---|---|
| PEB-24000 | 560 × 550 × 710 | 100ℓ | 3상 380vac / 24kw | 15A |
| PEB-32000 | 580 × 550 × 700 | 110ℓ | 3상 380vac / 32kw | 15A |

